Chain Conveyor Head Frame

Home / Products / Chain Conveyor Series / Chain Conveyor Head Frame

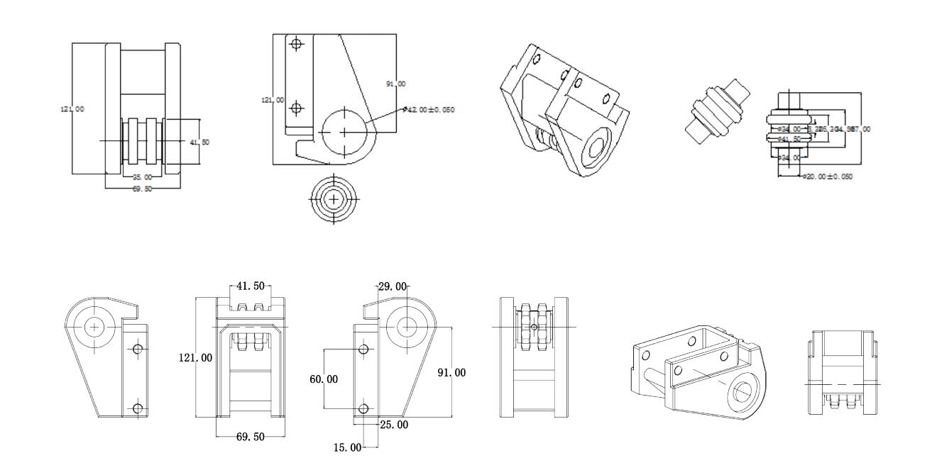
Chain Conveyor Head Frame

1. Product Definition 
The chain conveyor head frame serves as the primary drive-end support module. It acts as the physical mount for the drive motor, gear reducer, and main shaft, ensuring the stability of power transmission through a high-rigidity frame. The design focuses on precise geometric positioning to maintain proper engagement between sprockets and chains, preventing operational misalignment.


2. Technical Attributes

Structural Rigidity: Fabricated from heavy-duty channel steel or thick welded plates, the box-frame construction effectively resists torque impacts during motor startup.

Precision Machined Surfaces: Mounting interfaces for bearing housings are CNC-milled to ensure perpendicularity between the drive shaft and the chain travel path.

Integrated Interfaces: Standardized mounting points for reducers and tensioning devices allow for rapid integration of various drive configurations.

Environmental Coating: The surface undergoes shot blasting and industrial-grade anti-corrosion coating, ensuring structural integrity in dusty, humid, or corrosive atmospheres.


3. Industrial Applications

Automated Logistics: Implemented in pallet conveyors and tote handling systems for heavy-duty automated sorting.

Automotive Assembly: Utilized in heavy-duty chain systems for BIW welding and chassis transport.

Bulk Handling: Suitable for drive ends of chain conveyors in continuous operations such as grain and coal transport.

Precision Manufacturing: Integrated into assembly, coating, and inspection lines across diverse manufacturing sectors.

Contact us
  • Parameter
  • Diagram
  • Contact
Specification 08B 10B 10B 10B 10B 12A
Type Toothless Half-toothed Toothless Plastic With an aluminum profile Precision Cast
About Us
Huzhou Nanxun Guan's Plastic Industry Co., Ltd.
Huzhou Nanxun Guan's Plastic Industry Co., Ltd.

Huzhou Nanxun Guan's Plastic Industry Co., Ltd. was established in 2006, with its headquarters located in Huzhou, Zhejiang. Since its inception, the company has established three plastic product manufacturing bases and a laser cutting workshop in Zhejiang and Jiangsu provinces. We now have a large production, R&D, and operational space, with a growing team of employees. Our annual production volume has reached tens of millions of pieces, making us a well-known plastic product manufacturer and service provider both domestically and internationally. 
Our products and services are widely applied in various industries, including logistics, pharmaceuticals, food and beverages, warehousing, organic produce, tobacco, tire manufacturing, and airport ground services. To meet the ever-growing demands of our customers, we have also developed a laser cutting project to further enhance our production capacity and technical capabilities. 

Certificate
News
Message Feedback
Industry knowledge