Chain Conveyor Accessories

Home / Products / Chain Conveyor Series / Chain Conveyor Accessories

Chain Conveyor Accessories

Chain conveyor accessories are functional components designed for use with chain conveyor systems, primarily ensuring normal chain operation, extending system service life, and enabling specific conveying functions. This series of modular components is compatible with standard chain conveyor systems, addressing maintenance, adjustment, and functional expansion requirements.


Core Component Categories

Tensioning Devices: Including tension wheels, adjustment sliders, and mounting bases for maintaining operational chain tension

Guidance Components: Comprising guide rails, protective plates, and lateral limiters for controlling chain trajectory

Cleaning Units: Integrating scrapers, brushes, and collection devices for removing chain surface residues

Lubrication Systems: Incorporating automatic oilers, distribution manifolds, and flow controllers for scheduled chain lubrication

Safety Protection: Involving protective covers, emergency stops, and overload protection mechanisms for operational safety


System Functional Value

Modular structure enables rapid modification and functional upgrades of existing conveyor systems

Specialized components address common issues, including chain deviation, wear, and noise generation

Standardized interface design reduces time costs for accessory replacement and system maintenance

Functional component combinations adapt to special working environments such as high temperature, dusty, or humid conditions


Typical Application Configurations

Suitable for chain maintenance systems in packaging production lines, auxiliary devices for automotive assembly line conveyors, chain system components in warehouse sorting lines, conveyor belt accessories for food processing, and protective systems for heavy-duty mining conveyor chains.

Contact us
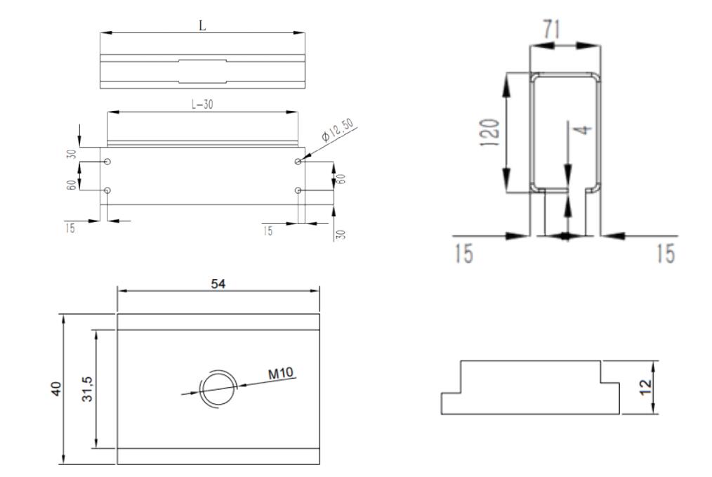
  • Parameter
  • Diagram
  • Contact
Serial No. 1 2 3 4
Name Square Nut Protective Sleeve Frame Guide Slot
About Us
Huzhou Nanxun Guan's Plastic Industry Co., Ltd.
Huzhou Nanxun Guan's Plastic Industry Co., Ltd.

Huzhou Nanxun Guan's Plastic Industry Co., Ltd. was established in 2006, with its headquarters located in Huzhou, Zhejiang. Since its inception, the company has established three plastic product manufacturing bases and a laser cutting workshop in Zhejiang and Jiangsu provinces. We now have a large production, R&D, and operational space, with a growing team of employees. Our annual production volume has reached tens of millions of pieces, making us a well-known plastic product manufacturer and service provider both domestically and internationally. 
Our products and services are widely applied in various industries, including logistics, pharmaceuticals, food and beverages, warehousing, organic produce, tobacco, tire manufacturing, and airport ground services. To meet the ever-growing demands of our customers, we have also developed a laser cutting project to further enhance our production capacity and technical capabilities. 

Certificate
News
Message Feedback
Industry knowledge