RN 300 F Synchronous Lifter

Home / Products / Lifting and Transplanting Series / Synchronized Lifting Equipment Series / RN 300 F Synchronous Lifter

RN 300 F Synchronous Lifter

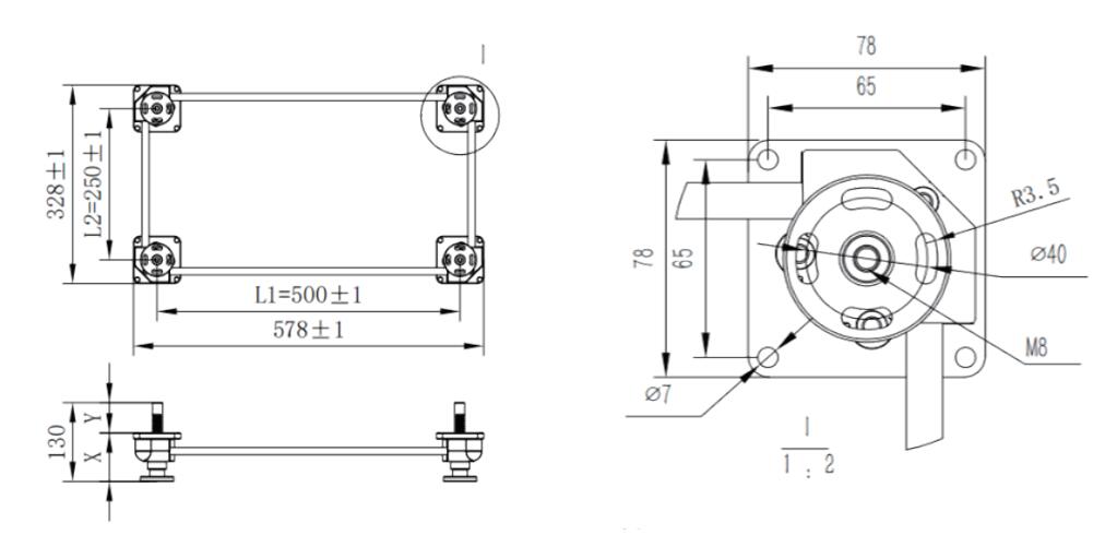
The RN 300 F Synchronous Lifter features a scissor lift structure design, utilizing mechanical linkages or gear transmission mechanisms to ensure height consistency across multiple lifting points during vertical movement. The main body is typically constructed from high-strength steel, with key friction areas undergoing precision machining and equipped with lubricated bearings or self-lubricating bushings to minimize motion resistance. The design includes limit devices and anti-fall safety mechanisms capable of locking at specific heights. The RN 300 F series possesses specific load-bearing specifications suitable for platforms of various sizes.


Product Advantages

The core advantage of this equipment lies in its high synchronization precision, effectively addressing platform tilt issues caused by uneven force distribution during multi-point lifting and ensuring stable load handling. The mechanical synchronization structure eliminates the need for complex electrical control systems or hydraulic feedback loops, simplifying the system architecture. The structure is compact with a small footprint, maintaining good stability during the lifting process. The safety locking mechanism prevents accidental platform descent in the event of power loss or system pressure release, enhancing operational safety.


Application Fields

Suitable for industrial assembly line lift tables, automated assembly equipment, material handling systems, scissor aerial work platforms, precision instrument calibration tables, and mechanical devices requiring smooth and synchronous displacement in the vertical direction.

Contact us
  • Parameter
  • Diagram
  • Contact
About Us
Huzhou Nanxun Guan's Plastic Industry Co., Ltd.
Huzhou Nanxun Guan's Plastic Industry Co., Ltd.

Huzhou Nanxun Guan's Plastic Industry Co., Ltd. was established in 2006, with its headquarters located in Huzhou, Zhejiang. Since its inception, the company has established three plastic product manufacturing bases and a laser cutting workshop in Zhejiang and Jiangsu provinces. We now have a large production, R&D, and operational space, with a growing team of employees. Our annual production volume has reached tens of millions of pieces, making us a well-known plastic product manufacturer and service provider both domestically and internationally. 
Our products and services are widely applied in various industries, including logistics, pharmaceuticals, food and beverages, warehousing, organic produce, tobacco, tire manufacturing, and airport ground services. To meet the ever-growing demands of our customers, we have also developed a laser cutting project to further enhance our production capacity and technical capabilities. 

Certificate
News
Message Feedback
Industry knowledge