Roller Guide Wheel

Home / Products / Roller Fittings Series / Components / Roller Guide Wheel

Roller Guide Wheel

The guide wheel serves as a critical directional component in industrial conveying systems, designed to control and maintain the travel trajectory of conveyor belts, chains, or flexible materials. Its core function involves providing a lateral constraint to moving conveying carriers through the integration of physical limitations and rolling contact, ensuring stable directional transport of materials along complex conveying paths.


Structural Features

Incorporates flanged or grooved wheel construction to establish mechanical limitation interfaces for conveying carriers

Integrates precision bearing mechanisms, enabling low-torque rotational guidance

Wheel surface customizable through hardening treatments, polyurethane coating, or specialized surface applications

Equipped withan adjustable mounting base supporting three-dimensional angular and positional fine-tuning


Technical Advantages

Rolling contact effectively reduces friction coefficients during guidance, minimizing energy loss

Mechanical limitation design prevents progressive deviation in conveyor belts during extended operation

Modular component design facilitates rapid installation, maintenance, and replacement

Adaptable to both high-speed continuous operation and intermittent heavy-duty working conditions


Typical Applications

Primarily deployed in sorting conveyor lines within automated warehousing systems, positioning devices for food packaging machinery, plate chain guidance systems in automotive assembly lines, belt tracking mechanisms for mining equipment, and various industrial transmission scenarios requiring precise path control.

Contact us
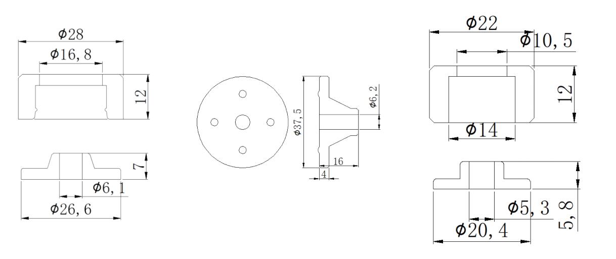
  • Parameter
  • Diagram
  • Contact
About Us
Huzhou Nanxun Guan's Plastic Industry Co., Ltd.
Huzhou Nanxun Guan's Plastic Industry Co., Ltd.

Huzhou Nanxun Guan's Plastic Industry Co., Ltd. was established in 2006, with its headquarters located in Huzhou, Zhejiang. Since its inception, the company has established three plastic product manufacturing bases and a laser cutting workshop in Zhejiang and Jiangsu provinces. We now have a large production, R&D, and operational space, with a growing team of employees. Our annual production volume has reached tens of millions of pieces, making us a well-known plastic product manufacturer and service provider both domestically and internationally. 
Our products and services are widely applied in various industries, including logistics, pharmaceuticals, food and beverages, warehousing, organic produce, tobacco, tire manufacturing, and airport ground services. To meet the ever-growing demands of our customers, we have also developed a laser cutting project to further enhance our production capacity and technical capabilities. 

Certificate
News
Message Feedback
Industry knowledge