One-piece Roller Plastic Seat

Home / Products / Roller Fittings Series / Plastic Base Series / One-piece Roller Plastic Seat

One-piece Roller Plastic Seat

The ONE-PIECE PLASTIC SEAT integrates the bearing housing and mounting bracket into a single unit, typically manufactured through injection molding using high-strength engineering plastics. The product features a compact structure with a precision cavity for housing the bearing; certain models include self-lubricating properties or metal inserts to enhance connection strength. The overall molding process ensures dimensional consistency across the housing and provides excellent electrical insulation and chemical resistance.


Product Advantages

The integrated structure reduces the number of components and simplifies the assembly process, effectively shortening equipment installation and maintenance time. The engineering plastic material has a low density, significantly reducing the overall weight of conveyor components, thereby lowering running inertia and energy consumption. This material demonstrates good corrosion resistance in humid, acidic, or alkaline environments and does not rust. Additionally, the plastic housing offers self-lubricating and shock-absorbing properties during operation, contributing to reduced noise levels.


Application Fields

Widely used in light-duty conveyor systems, food processing machinery, packaging equipment, logistics sorting lines, electronic manufacturing equipment, and automated conveying devices requiring corrosion resistance or lightweight design.

Contact us
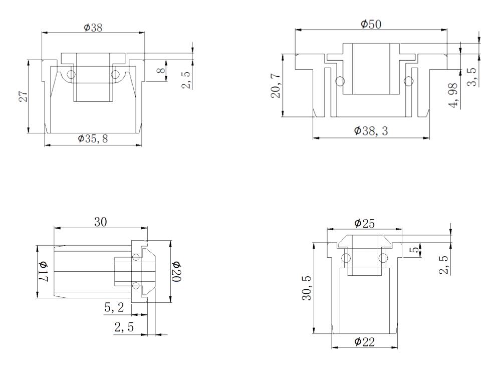
  • Parameter
  • Diagram
  • Contact
Serial No. 1 2 3 4 5
Diameter 20 25 38 40 50
About Us
Huzhou Nanxun Guan's Plastic Industry Co., Ltd.
Huzhou Nanxun Guan's Plastic Industry Co., Ltd.

Huzhou Nanxun Guan's Plastic Industry Co., Ltd. was established in 2006, with its headquarters located in Huzhou, Zhejiang. Since its inception, the company has established three plastic product manufacturing bases and a laser cutting workshop in Zhejiang and Jiangsu provinces. We now have a large production, R&D, and operational space, with a growing team of employees. Our annual production volume has reached tens of millions of pieces, making us a well-known plastic product manufacturer and service provider both domestically and internationally. 
Our products and services are widely applied in various industries, including logistics, pharmaceuticals, food and beverages, warehousing, organic produce, tobacco, tire manufacturing, and airport ground services. To meet the ever-growing demands of our customers, we have also developed a laser cutting project to further enhance our production capacity and technical capabilities. 

Certificate
News
Message Feedback
Industry knowledge